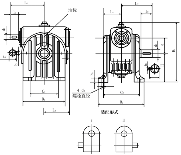
概述

|
型號\尺寸
|
a
|
B1
|
B2
|
C1
|
C2
|
h
|
H
|
H1
|
h1
|
i≤12.5
|
||||
|
d1
|
I1
|
b1
|
t1
|
L1
|
||||||||||
|
63
|
63
|
148
|
180
|
115
|
150
|
12
|
117
|
245
|
M12
|
19js6
|
28
|
6
|
21.5
|
128
|
|
80
|
80
|
175
|
200
|
140
|
170
|
15
|
145
|
296
|
M12
|
24js6
|
36
|
8
|
27
|
151
|
|
100
|
100
|
218
|
230
|
175
|
190
|
15
|
180
|
365
|
M12
|
28js6
|
42
|
8
|
31
|
182
|
|
型號\尺寸
|
i≥16
|
d2
|
I2
|
b2
|
t2
|
L2
|
L3
|
L4
|
重量(不含油)
|
||||
|
d1
|
I1
|
b1
|
t1
|
L1
|
|||||||||
|
63
|
19js6
|
28
|
6
|
21.5
|
128
|
32k6
|
58
|
10
|
35
|
135
|
97
|
70
|
19.5
|
|
80
|
24js6
|
36
|
8
|
27
|
151
|
38k6
|
58
|
10
|
41
|
143
|
110
|
81
|
28 .5
|
|
100
|
24js6
|
36
|
8
|
27
|
176
|
42k6
|
82
|
12
|
45
|
182
|
130
|
95
|
43
|
|
型號\尺寸
|
a
|
B1
|
B2
|
B3
|
C1
|
C2
|
h
|
H
|
H1
|
d2
|
i≤12.5
|
||||
|
d1
|
I1
|
b1
|
t1
|
L1
|
|||||||||||
|
125
|
125
|
260
|
250
|
310
|
220
|
205
|
30
|
155
|
410
|
M16
|
32k6
|
58
|
10
|
35
|
218
|
|
140
|
140
|
285
|
275
|
345
|
230
|
225
|
30
|
195
|
485
|
M16
|
38k6
|
58
|
10
|
41
|
228
|
|
160
|
160
|
325
|
300
|
385
|
230
|
250
|
35
|
195
|
510
|
M16
|
42k6
|
82
|
12
|
45
|
277
|
|
180
|
180
|
350
|
320
|
420
|
260
|
270
|
35
|
220
|
600
|
M20
|
42k6
|
82
|
12
|
45
|
292
|
|
200
|
200
|
400
|
350
|
465
|
280
|
300
|
40
|
250
|
655
|
M20
|
48k6
|
82
|
14
|
51.5
|
324
|
|
225
|
225
|
440
|
380
|
505
|
325
|
325
|
40
|
275
|
700
|
M20
|
48k6
|
82
|
14
|
51.5
|
342
|
|
250
|
250
|
510
|
410
|
575
|
370
|
350
|
45
|
310
|
820
|
M24
|
55k6
|
82
|
16
|
59
|
380
|
|
型號\尺寸
|
i≥16
|
d2
|
I2
|
b2
|
t2
|
L2
|
L3
|
L4
|
L5
|
重量 (不含油)
|
||||
|
d1
|
I1
|
b1
|
t1
|
L1
|
||||||||||
|
125
|
28js6
|
42
|
8
|
31
|
202
|
55k6
|
82
|
16
|
59
|
222
|
202
|
133
|
153
|
98
|
|
140
|
28js6
|
42
|
8
|
31
|
212
|
60m6
|
105
|
18
|
64
|
260
|
220
|
144
|
166
|
110
|
|
160
|
32k6
|
58
|
10
|
35
|
253
|
65m6
|
105
|
18
|
69
|
270
|
245
|
156
|
186
|
150
|
|
180
|
32k6
|
58
|
10
|
35
|
268
|
75m6
|
105
|
20
|
79.5
|
290
|
260
|
173
|
200
|
210
|
|
200
|
38k6
|
58
|
10
|
41
|
300
|
80m6
|
130
|
22
|
85
|
325
|
295
|
188
|
235
|
270
|
|
225
|
38k6
|
58
|
10
|
41
|
318
|
90m6
|
130
|
25
|
95
|
340
|
320
|
193
|
247
|
335
|
|
250
|
42k6
|
82
|
12
|
45
|
380
|
100m6
|
165
|
28
|
106
|
385
|
360
|
210
|
285
|
410
|

冀公網(wǎng)安備13092802000153號