 



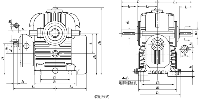
| 型號\尺寸 | a | a1 | B1 | B2 | C1 | C2 | i=35.5~56、100、112 | i=63~90、125~180 | ||||||||
| d1 | l1 | b1 | t1 | L1 | d1 | l1 | b1 | t1 | L1 | |||||||
| GCWU100 | 100 | 63 | 225 | 240 | 190 | 200 | 22j6 | 36 | 6 | 24.5 | 255 | 19j6 | 28 | 6 | 21.5 | 247 | 
| GCWU125 | 125 | 63 | 260 | 250 | 226 | 205 | 22j6 | 36 | 6 | 24.5 | 273 | 19j6 | 28 | 6 | 21.5 | 265 | 
| GCWU160 | 160 | 80 | 325 | 300 | 230 | 250 | 28j6 | 42 | 8 | 31 | 329 | 24j6 | 36 | 8 | 27 | 323 | 
| GCWU200 | 200 | 100 | 400 | 350 | 280 | 300 | 42k6 | 82 | 12 | 45 | 443 | 28j6 | 42 | 8 | 31 | 403 | 
| GCWU250 | 250 | 125 | 510 | 410 | 370 | 350 | 48k6 | 82 | 14 | 51.5 | 538 | 38k6 | 58 | 10 | 41 | 514 | 
| GCWU315 | 315 | 160 | 640 | 530 | 470 | 445 | 65m6 | 105 | 18 | 69 | 635 | 48k6 | 82 | 14 | 51.5 | 612 | 
| GCWU355 | 355 | 160 | 730 | 580 | 540 | 490 | 65m6 | 105 | 18 | 69 | 680 | 48k6 | 82 | 14 | 51.5 | 657 | 
| GCWU400 | 400 | 200 | 790 | 620 | 620 | 530 | 80m6 | 130 | 22 | 85 | 785 | 60m6 | 105 | 18 | 64 | 760 | 
| GCWU450 | 450 | 200 | 885 | 680 | 700 | 580 | 80m6 | 130 | 22 | 85 | 838 | 60m6 | 105 | 18 | 64 | 813 | 
| GCWU500 | 500 | 250 | 1015 | 750 | 760 | 640 | 100m6 | 165 | 28 | 106 | 995 | 80m6 | 130 | 22 | 85 | 960 | 
| 型號\尺寸 | i=200~315 | d2 | l2 | b2 | t2 | L2 | L3 | L4 | L5 | h | H | H1 | ||||
| d1 | l1 | b1 | t1 | L1 | ||||||||||||
| GCWU100 | 14j6 | 25 | 5 | 16 | 244 | 48k6 | 82 | 14 | 51.5 | 212 | 180 | 121 | 139 | 25 | 175 | 340 | 
| GCWU125 | 14j6 | 25 | 5 | 16 | 262 | 55m6 | 82 | 16 | 59 | 222 | 202 | 133 | 147 | 30 | 188 | 408 | 
| GCWU160 | 19j6 | 28 | 6 | 21.5 | 315 | 65m6 | 105 | 18 | 69 | 270 | 245 | 156 | 172 | 35 | 240 | 510 | 
| GCWU200 | 22j6 | 36 | 6 | 24.5 | 397 | 88m6 | 130 | 22 | 85 | 325 | 295 | 180 | 197 | 40 | 300 | 650 | 
| GCWU250 | 28j6 | 42 | 8 | 31 | 498 | 100m6 | 165 | 28 | 106 | 385 | 360 | 209 | 228 | 45 | 350 | 785 | 
| GCWU315 | 38k6 | 58 | 10 | 41 | 588 | 120m6 | 165 | 32 | 127 | 420 | 430 | 242 | 289 | 50 | 440 | 980 | 
| GCWU355 | 38k6 | 58 | 10 | 41 | 633 | 130m6 | 200 | 32 | 137 | 470 | 480 | 255 | 315 | 55 | 460 | 1085 | 
| GCWU400 | 48k6 | 82 | 14 | 51.5 | 737 | 150m6 | 200 | 36 | 158 | 490 | 515 | 277 | 335 | 60 | 515 | 1175 | 
| GCWU450 | 48k6 | 82 | 14 | 51.5 | 790 | 170m6 | 240 | 40 | 179 | 560 | 575 | 299 | 367 | 65 | 555 | 1310 | 
| GCWU500 | 60m6 | 105 | 18 | 64 | 935 | 190m6 | 280 | 45 | 200 | 640 | 655 | 343 | 403 | 80 | 650 | 1450 | 
| 型號\尺寸 | H2 | d3 | 質量m/kg | 
| GCWU100 | 212 | 14.5 | 69 | 
| GCWU125 | 250 | 18.5 | 101 | 
| GCWU160 | 320 | 18.5 | 160 | 
| GCWU200 | 400 | 24 | 283 | 
| GCWU250 | 475 | 28 | 425 | 
| GCWU315 | 595 | 35 | 750 | 
| GCWU355 | 655 | 35 | 960 | 
| GCWU400 | 715 | 35 | 1300 | 
| GCWU450 | 805 | 42 | 1760 | 
| GCWU500 | 900 | 42 | 2530 | 
 

冀公網安備13092802000153號