|
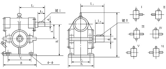
型號(hào)
|
A
|
H1
|
H
|
B
|
B1
|
C
|
C1
|
4--Φ
|
L1
|
L2
|
L3
|
L4
|
d1
|
鍵I
|
d2
|
鍵II
|
|
WSJ80
|
80
|
200
|
275
|
210
|
160
|
145
|
115
|
4—Φ13
|
181
|
50
|
152
|
50
|
Φ22
|
6×40
|
Φ30
|
8×42
|
|
WSJ100
|
100
|
240
|
330
|
250
|
180
|
180
|
140
|
4—Φ18
|
191
|
50
|
176
|
65
|
Φ30
|
8×42
|
Φ40
|
12×55
|
|
WSJ120
|
120
|
270
|
360
|
275
|
200
|
200
|
150
|
4—Φ18
|
218
|
56
|
187
|
78
|
Φ30
|
8×50
|
Φ45
|
14×70
|

冀公網(wǎng)安備13092802000153號(hào)