
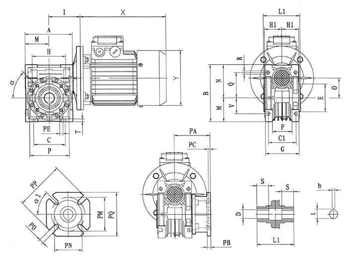
| 型號 | A | B | C | C1 | D(H7) | E(h8) | F | G | H | H1 | I | L1 | M | N | 0 |
| 030 | 80 | 97 | 54 | 44 | 14 | 55 | 32 | 56 | 65 | 29 | 55 | 63 | 40 | 57 | 30 |
| 040 | 100 | 121.5 | 70 | 60 | 18(19) | 60 | 43 | 71 | 75 | 36.5 | 70 | 78 | 50 | 71.5 | 40 |
| 050 | 120 | 144 | 80 | 70 | 25(24) | 70 | 49 | 85 | 85 | 43.5 | 80 | 92 | 60 | 84 | 50 |
| 063 | 144 | 174 | 100 | 85 | 25(28) | 80 | 67 | 103 | 95 | 53 | 95 | 112 | 72 | 102 | 63 |
| 075 | 172 | 205 | 120 | 90 | 28(35) | 95 | 72 | 112 | 115 | 57 | 112.5 | 120 | 86 | 119 | 75 |
| 090 | 206 | 238 | 140 | 100 | 35(38) | 110 | 74 | 130 | 130 | 67 | 129.5 | 140 | 103 | 135 | 90 |
| 110 | 255 | 295 | 170 | 115 | 42 | 130 | - | 144 | 165 | 74 | 160 | 155 | 127.5 | 167.5 | 110 |
| 130 | 293 | 335 | 200 | 120 | 45 | 180 | - | 155 | 215 | 81 | 179 | 170 | 146.5 | 187.5 | 130 |
| 150 | 340 | 400 | 240 | 145 | 50 | 180 | - | 185 | 215 | 96 | 210 | 200 | 170 | 230 | 150 |
| 型號 | P | Q | R | S | T | V | PE | H | t | α | Kg. |
| 030 | 75 | 44 | 6.5 | 21 | 5.5 | 27 | M6 × 11(n=4) | 5 | 16.3 | 0o | 1.2 |
| 040 | 87 | 55 | 6.5 | 26 | 6.5 | 35 | M6 × 8(n=4) | 6 | 20.8(21.8) | 45o | 2.3 |
| 050 | 100 | 64 | 8.5 | 30 | 7 | 40 | M8 × 10(n=4) | 8 | 28.3(27.3) | 45o | 3.8 |
| 063 | 110 | 80 | 8.5 | 36 | 8 | 50 | M8 × 14(n=8) | 8 | 28.3(31.3) | 45o | 6.2 |
| 075 | 140 | 93 | 11 | 40 | 10 | 60 | M8 × 14(n=8) | 8 | 31.3(38.3) | 45o | 9 |
| 090 | 160 | 102 | 13 | 45 | 11 | 70 | M10 × 18(n=8) | 10 | 38.3(41.3) | 45o | 13 |
| 110 | 200 | 125 | 14 | 50 | 14 | 85 | M10 × 18(n=8) | 12 | 45.3 | 45o | 42.5 |
| 130 | 250 | 140 | 16 | 60 | 15 | 100 | M12 × 21(n=8) | 14 | 18.8 | 45o | 59 |
| 150 | 250 | 180 | 18 | 72.5 | 18 | 120 | M12 × 21(n=8) | 14 | 53.8 | 45o | 87 |


冀公網(wǎng)安備13092802000153號